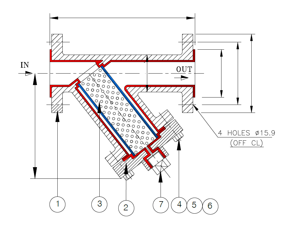
LINED STRAINERS
Cast Steel, Stainless Steel Body, Lined or Un-lined internally
LINED IN PTFE, PFA, FEP OR PVDF
LINED STRAINERS
Resistochem cc Strainers meet the highest requirements of the chemical industry where it’s important to ensure high resistance to corrosion under severe working conditions. The PTFE, PFA, or FEP heavy duty lining prevents any damage even if aggressive and permeating fluids circulate inside the strainer.
The strainer has a filtering system inside the body in the form of a basket, made of PTFE with various Micron hole options for filtering. The medium that is running through the line is filtered through the basket, whereby the solid materials are to stay inside the PTFE Basket while allowing the fluid to flow continuously.
Size Range: DN25-DN300
Pressure: 150LB
Body Material: SS304, DI, WCB, CS PFA Lined
STAINLESS STEEL Y-STRAINER
Size Range: DN15-DN600
Pressure: 150LB / PN16
Body Material: SS304
DUCTILE IRON Y-STRAINER
Size Range: DN50-DN450
Pressure: 150LB / PN16
Body Material: DI
STAINLESS STEEL BASKET STRAINER
Size Range: DN50-DN400
Pressure: 150LB / PN16
Body Material: SS304
DUCTILE IRON BASKET STRAINER
Size Range: DN15-DN400
Pressure: 150LB / PN16
Body Material: DI
Standard EPDM rubber seat enable the valves to have super stable and reliable resilience. No leakage after opening and closing more than 10,000 times.
Features: High precision and high quality, The suitable medium includes water, oil, steam, sewage. It is mainly used in municipal construction, water conservancy projects, oil products, water supply and drainage, water treatment.
The Y strainers can be installed vertically or horizontally and are suitable for connection with flanges according to DIN EN 1092-1 or ANSI B 16.5 150/300 class from DN 25-1” to DN 250-10”.




CONTACT US
Are you looking for more information about our products and Services, require technical support or would like our brochure of products? Send an e-mail to sales@resistochem.co.za for prompt assistance.
